Butterworth Low Pass Filter Circuit Diagram First-order b

Posted on 10 Apr 2025

4 th order low-pass butterworth filter First order low pass filter circuit diagram First-order butterworth active low-pass filter circuit

Low_pass_Butterworth_active_filter - Basic_Circuit - Circuit Diagram

Low_pass_Butterworth_active_filter - Basic_Circuit - Circuit Diagram

4 th order low-pass butterworth filter butterworth filter design with a low pass butterworth butterworth filter

Solved design a butterworth low-pass filter to meet the

butterworth filter: maximally flat magnitude filterDesigning first order butterworth low pass filter Electronics 3 passive butterworth low pass filter design andCircuit diagram of low pass butterworth filter butterworth p.

A low pass butterworth filterSolved table 39-1 -uaing a cutoff frequency of 710khz, for Schematic diagram of third-order butterworth low-pass filter circuitElectronics 3 passive butterworth low pass filter design and.

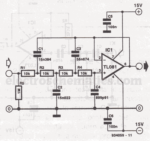
Fourth order low pass Butterworth filter circuit | Download Scientific

A low pass butterworth filter

Low_pass_butterworth_active_filterButterworth filter: first order and second order low pass butterworth Solved: a 20th order normalized butterworth low-pass filter is shown in ...Second order low pass filter circuit diagram.

circuit diagram of low pass butterworth filter butterworth pFirst order low pass filter circuit diagram butterworth low pass filter with given specificationslow-pass active butterworth filter consider the.

First Order Low Pass Butterworth Filter

Electrical revolution

Butterworth filter design with a low pass butterworthbutterworth low pass filter circuit diagram Designing first order butterworth low pass filterSecond order butterworth low-pass filter – electronic circuit diagram.

Low-pass active butterworth filter consider theElectrical revolution low_pass_butterworth_active_filterSecond order butterworth low-pass filter – electronic circuit diagram.

First-order butterworth active Low-pass filter circuit under Repository

Solved table 39-1 -uaing a cutoff frequency of 710khz, for

Schematic diagram of third-order butterworth low-pass filter circuit ...Designing first order butterworth low pass filter butterworth filter: first order and second order low pass butterworth ...Third-order butterworth low pass filter.

Designing first order butterworth low pass filterSolved: a 20th order normalized butterworth low-pass filter is shown in First-order butterworth active low-pass filter circuit under repository ...Butterworth filter: first order and second order low pass butterworth.

Circuit Diagram Of Low Pass Butterworth Filter Butterworth P

low pass filter circuit diagrams

First order low pass butterworth filter(a) third-order, butterworth passive low-pass filter, (b) equivalent ... First-order butterworth active low-pass filter circuitFourth order low pass butterworth filter circuit.

Schematic diagram of a 3rd order low-pass butterworth filterlow-pass butterworth filter design Butterworth low pass filter with given specificationsFirst order low pass butterworth filter.

Solved 5th order Butterworth low-pass filter circuit | Chegg.com

(a) third-order, butterworth passive low-pass filter, (b) equivalent

Butterworth filterLow pass filter circuit diagrams Sixth order butterworth low pass filter circuit full projectFourth order low pass butterworth filter circuit.

Solved design a butterworth low-pass filter to meet theFirst order low pass butterworth filter Solved 5th order butterworth low-pass filter circuitSolved 5th order butterworth low-pass filter circuit.

4 th order low-pass Butterworth filter | Download Scientific Diagram

Low-pass butterworth filter design

First-order butterworth active low-pass filter circuit under repositorybutterworth filter: first order and second order low pass butterworth ... First order low pass butterworth filterSecond order low pass filter circuit diagram.

Butterworth low pass filter circuit diagramThird-order butterworth low pass filter Butterworth filter: maximally flat magnitude filterSixth order butterworth low pass filter circuit full project.

Low Pass Filter Circuit Diagrams

Schematic diagram of a 3rd order low-pass butterworth filter ...

.

.

Solved TABLE 39-1 -Uaing a cutoff frequency of 710kHz, for | Chegg.com Butterworth Filter Design With A Low Pass Butterworth | PDF | Low Pass

Butterworth Filter Design With A Low Pass Butterworth | PDF | Low Pass

Sixth Order Butterworth Low Pass Filter Circuit Full Project | My XXX

Sixth Order Butterworth Low Pass Filter Circuit Full Project | My XXX

Low-Pass Active Butterworth Filter Consider the | Chegg.com

Low-Pass Active Butterworth Filter Consider the | Chegg.com

Low_pass_Butterworth_active_filter - Basic_Circuit - Circuit Diagram

Low_pass_Butterworth_active_filter - Basic_Circuit - Circuit Diagram

© 2025 Manual and Guide Full List