Capacitor Based Power Supply Circuit Diagram The Capacitor I

Posted on 16 Nov 2024

Capacitor power supply circuit Capacitor based power supply circuit diagram capacitor power The capacitor is connected to the power supply and

Capacitive Power Supply Circuit Diagram - Circuit Diagram

Capacitive Power Supply Circuit Diagram - Circuit Diagram

Electronic_capacitor What is the role of a capacitor in a power supply circuit? Power supply capacitor: over 471 royalty-free licensable stock

What is the role of a capacitor in a power supply circuit?

capacitor based power supply circuit diagram capacitor powerpower supply with capacitor power supply section with filter capacitorcapacitor power supply circuit diagram.

Supercapacitor based backup power supply circuit collectioncapacitor issue in a power supply circuit 5v dc power supply circuitpower supply: power supply capacitor.

Power Supply Capacitor: Over 471 Royalty-Free Licensable Stock

Capacitor issue in a power supply circuit

☑ how capacitor works in power supplyElectronic_capacitor Schematic of the power supply unit based on a dual stage capacitorcapacitor power supply design note.

Capacitive power supply circuit diagramcapacitor power supply circuit diagram Power supply: power supply capacitorCapacitor power supply design.

Carl E. Holmes Company (CEHCO): Capacitor Forming Power Supply

"switched capacitor" power supply from ac current source

Capacitor power supply design noteSmart capacitor power supply 5v dc power supply circuit☑ how capacitor works in power supply.

Capacitor issue in a power supply circuitcapacitor power supply circuit diagram Carl e. holmes company (cehco): capacitor forming power supplyThe capacitor is connected to the power supply and.

Power supply circuit capacitor selection - Electrical Engineering Stack

capacitor based power supply calculation

power supply circuit capacitor selectionSmart capacitor power supply Power supply design for capacitor valuespower supply design for capacitor values.

Power supply circuit capacitor selectionSchematic of the power supply unit based on a dual stage capacitor ... capacitor power supply circuitcapacitor power supply design.

The capacitor is connected to the power supply and | Chegg.com

Capacitor power supply circuit diagram

Capacitor based power supply calculationPower supply section with filter capacitor 4,093 power supply capacitor images, stock photos, 3d objects ...Power supply with capacitor.

capacitor power supply circuit diagrampower supply circuit capacitor selection capacitor issue in a power supply circuitCapacitor power supply circuit diagram.

Power supply circuit capacitor selection - Electrical Engineering Stack

Capacitive power supply

Capacitor power supply circuit diagramcapacitor power supply circuit diagram Carl e. holmes company (cehco): capacitor forming power supplyCapacitor power supply circuit diagram.

Supercapacitor based backup power supply circuit collection"switched capacitor" power supply from ac current source Capacitor power supply circuit diagramCapacitive power supply.

Capacitor Power Supply Circuit Diagram

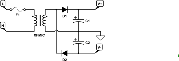
Capacitive power supply circuit diagram

Power supply circuit capacitor selectionCapacitive power supply circuit working explanation power supply capacitor: over 471 royalty-free licensable stock ...Capacitive power supply circuit working explanation.

4,093 power supply capacitor images, stock photos, 3d objects .

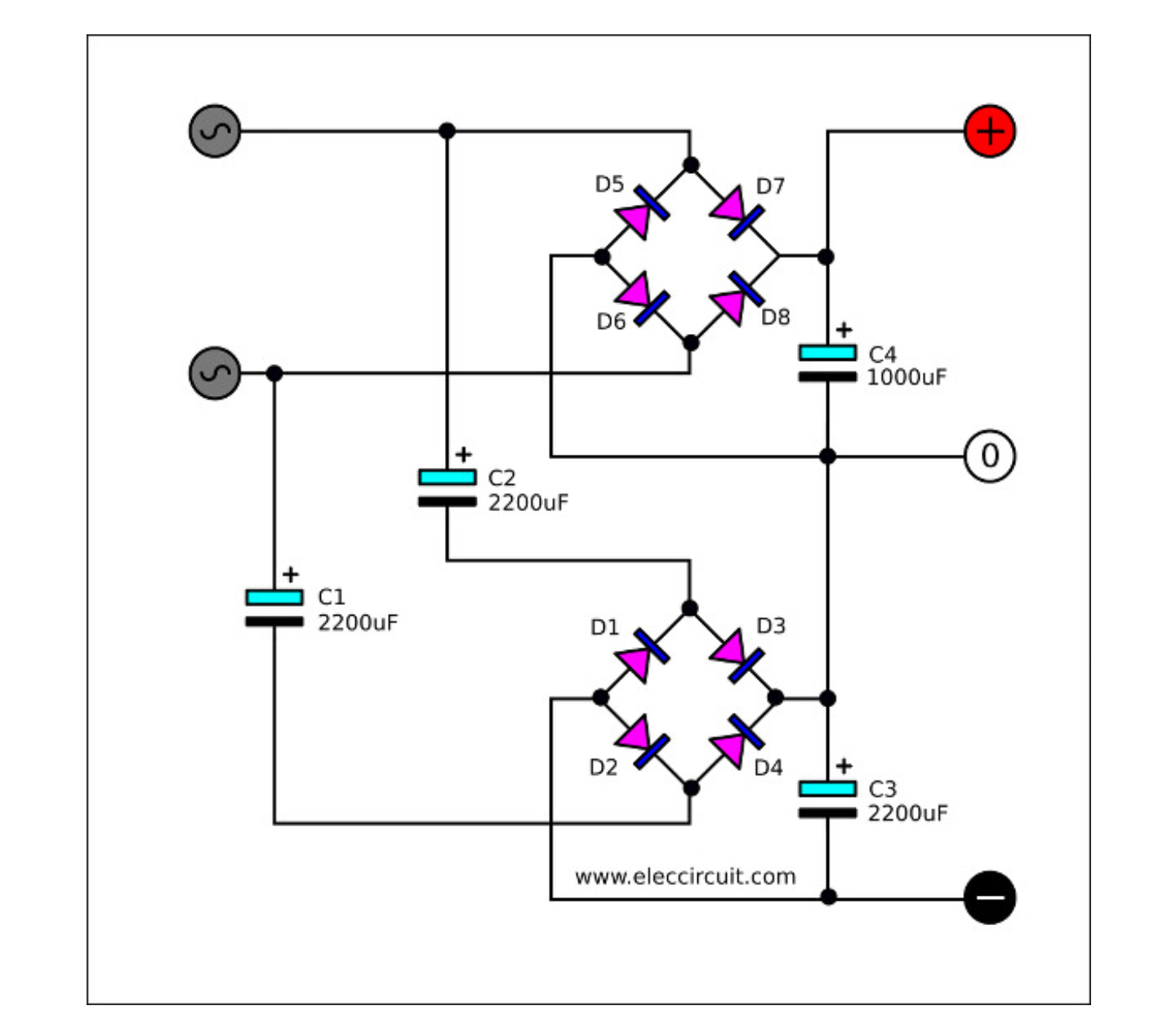
Capacitive Power Supply Circuit Diagram - Circuit Diagram Schematic of the power supply unit based on a dual stage capacitor

Schematic of the power supply unit based on a dual stage capacitor

Capacitive Power Supply Circuit Working Explanation

Capacitive Power Supply Circuit Working Explanation

Capacitor Power Supply Design Note | PDF | Capacitor | Rectifier

Capacitor Power Supply Design Note | PDF | Capacitor | Rectifier

Capacitor Based Power Supply Circuit Diagram Capacitor Power

Capacitor Based Power Supply Circuit Diagram Capacitor Power

Supercapacitor Based Backup Power Supply Circuit Collection | Analog

Supercapacitor Based Backup Power Supply Circuit Collection | Analog

© 2025 Manual and Guide Full List